Product Summary
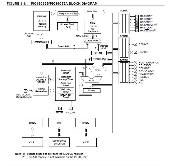
The PIC16C62B-04/SO devices have a 13-bit program counter capable of addressing an 8K x 14 program memory space. Each device has 2K x 14 words of program memory. Accessing a location above 07FFh will cause a wraparound. The reset vector is at 0000h and the interrupt vector is at 0004h.
Parametrics
Absolute maximum ratings: (1)Ambient temperature under bias: -55℃ to +125℃; (2)Storage temperature: -65℃ to +150℃; (3)Voltage on any pin with respect to VSS (except VDD, MCLR, and RA4): -0.3V to (VDD + 0.3V); (4)Voltage on VDD with respect to VSS: -0.3V to +7.5V; (5)Voltage on MCLR with respect to VSS: 0V to +13.25V; (6)Voltage on RA4 with respect to Vss: 0V to +8.5V; (7)Total power dissipation: 1.0W; (8)Maximum current out of VSS pin: 300 mA; (9)Maximum current into VDD pin: 250 mA; (10)Input clamp current, IIK (VI < 0 or VI > VDD): ±20 mA; (11)Output clamp current, IOK (VO < 0 or VO > VDD): ±20 mA; (12)Maximum output current sunk by any I/O pin: 25 mA; (13)Maximum output current sourced by any I/O pin: 25 mA; (14)Maximum current sunk by PORTA and PORTB (combined): 200 mA; (15)Maximum current sourced by PORTA and PORTB (combined): 200 mA; (16)Maximum current sunk by PORTC: 200 mA; (17)Maximum current sourced by PORTC: 200 mA.
Features
Features: (1)High-performance RISC CPU; (2)Only 35 single word instructions to learn; (3)All single cycle instructions except for program branches, which are two cycle; (4)Operating speed: DC - 20 MHz clock input, DC - 200 ns instruction cycle; (5)2K x 14 words of Program Memory, 128 x 8 bytes of Data Memory (RAM); (6)Interrupt capability; (7)Eight level deep hardware stack; (8)Direct, indirect, and relative addressing modes; (9)Power-on Reset (POR); (10)Power-up Timer (PWRT) and Oscillator Start-up Timer (OST); (11)Watchdog Timer (WDT) with its own on-chip RC oscillator for reliable operation; (12)Brown-out detection circuitry for Brown-out Reset (BOR); (13)Programmable code-protection; (14)Power saving SLEEP mode; (15)Selectable oscillator options; (16)Low-power, high-speed CMOS EPROM technology; (17)Fully static design; (18)In-Circuit Serial Programming(ICSP); (19)Wide operating voltage range: 2.5V to 5.5V; (20)High Sink/Source Current 25/25 mA; (21)Commercial, Industrial and Extended temperature ranges; (22)Low-power consumption: < 2 mA @ 5V, 4 MHz, 22.5 mA typical @ 3V, 32 kHz, < 1 mA typical standby current.
Diagrams

| Image | Part No | Mfg | Description | ![]() |
Pricing (USD) |
Quantity | ||||||||||||
|---|---|---|---|---|---|---|---|---|---|---|---|---|---|---|---|---|---|---|
![]() |
![]() PIC16C62B-04/SO |
![]() Microchip Technology |
![]() 8-bit Microcontrollers (MCU) 3.5KB 128 RAM 22 I/O |
![]() Data Sheet |
![]()
|
|
||||||||||||
| Image | Part No | Mfg | Description | ![]() |
Pricing (USD) |
Quantity | ||||||||||||
![]() |
![]() PIC1018SCL |
![]() Other |
![]() |
![]() Data Sheet |
![]() Negotiable |
|
||||||||||||
![]() |
![]() PIC10F200 |
![]() Other |
![]() |
![]() Data Sheet |
![]() Negotiable |
|
||||||||||||
![]() |
![]() PIC10F200-E/MC |
![]() Microchip Technology |
![]() 8-bit Microcontrollers (MCU) 384B Flash16B RAM 4 I/O |
![]() Data Sheet |
![]()
|
|
||||||||||||
![]() |
![]() PIC10F200-E/OT |
![]() Other |
![]() |
![]() Data Sheet |
![]() Negotiable |
|
||||||||||||
![]() |
![]() PIC10F200-E/P |
![]() Microchip Technology |
![]() 8-bit Microcontrollers (MCU) U 579-PIC10F200-I/P |
![]() Data Sheet |
![]() Negotiable |
|
||||||||||||
![]() |
![]() PIC10F200-I/MC |
![]() Microchip Technology |
![]() 8-bit Microcontrollers (MCU) 0.375KB Fl 16B RAM |
![]() Data Sheet |
![]()
|
|
||||||||||||
(Hong Kong)








